Jenn-Air Electric Slide-In Range SVE47100B Timer Repair

What is the timer/clock part number for the Jenn-Air SVE47100B Electric Slide-In Range?

Timer part number 71002331 for Jenn-Air SVE47100B

The SVE47100B Electric Slide-In Range uses timer part number 71002331.

Do you have a failed Jenn-Air SVE47100B control panel? Click here:

Request Appliance Timer Service

We can repair or replace your faulty Jenn-Air SVE47100B timer.

SVE47100B are also sometimes referred to using these Alternative Names/Model numbers

Maytag SVE47100B Electric Slide-In Range, Whirlpool SVE47100B Electric Slide-In Range

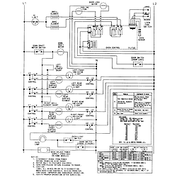
SVE47100B Schematic and Wiring Diagrams

Control panel Parts diagram
SVE47100B Electric Slide-In Range Control panel Parts diagram
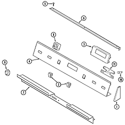
Top assembly Parts diagram
SVE47100B Electric Slide-In Range Top assembly Parts diagram
Body Parts diagram
SVE47100B Electric Slide-In Range Body Parts diagram
Oven Parts diagram
SVE47100B Electric Slide-In Range Oven Parts diagram
Door Parts diagram
SVE47100B Electric Slide-In Range Door Parts diagram
Access panel Parts diagram
SVE47100B Electric Slide-In Range Access panel Parts diagram
Blower assembly (plenum) Parts diagram
SVE47100B Electric Slide-In Range Blower assembly (plenum) Parts diagram
Wiring information (sve47100b/w) Parts diagram
SVE47100B Electric Slide-In Range Wiring information (sve47100b/w) Parts diagram
Wiring information (sve47100bc/wc) Parts diagram
SVE47100B Electric Slide-In Range Wiring information (sve47100bc/wc) Parts diagram
Wiring information (sve47100b/w-ser 15) Parts diagram
SVE47100B Electric Slide-In Range Wiring information (sve47100b/w-ser 15) Parts diagram
Wiring information(sve47100bc/wc ser 14) Parts diagram
SVE47100B Electric Slide-In Range Wiring information(sve47100bc/wc ser 14) Parts diagram

Recent Service Requests

CityProblem DescriptionResolution
Newkirk, OklahomaKeeps throwing codes when trying to use oven.Repaired
West Kelowna, British ColumbiaTroubleshooting indicates the oven controller has failed. Everything else on the range works, just no bake or broil. Elements test okay, as does temperature probe. Appears to be a lead disconnected from one of the capacitors.Repaired
Ocean Shores, Washingtoncannot get the temperature to increase, the same with timer and clock. when you turn the oven on and touch the down arrow it does start at 350 however when you touch the up arrow nothing happens. it will go down but cannot get it to increase even back where it startedAwaiting receipt of timer
Ocean Shores, Washingtonthe temp will not increase, the timer will not increase, the clock will not increase.....it will decreaseAwaiting receipt of timer
YORK, MaineTimer doesn't work and can't increase temp over 350Beyond Repair
YORK, MaineTimer and up temp button do not work...Beyond Repair
YORK, MaineTimer and up temp button do not work...Beyond Repair
YORK, MaineTimer's stopped, as well as the up temp control.Beyond Repair
Fort Thomas, Kentuckywhen trying to use bake cycle the code appears and the intenal fan goes on . I can sometimes get the oven to work after repeat attempts or sometimes it stops working again then I sometimes can restart the oven to finish cooking.Repaired
LEBANON, TennesseeBaking element won't work. Was told it is the circuit board.Awaiting receipt of timer
LEBANON, TennesseeBaking element won't work. Was told it is the circuit board.Awaiting receipt of timer
Lakeport, CaliforniaOven
does not work
Beyond Repair
Lakeport, CaliforniaOven does not workBeyond Repair
Thomson, GeorgiaNot WorkingAwaiting receipt of timer
Pollock, LouisianaHad F3 and F5 codes. Finally the broiler element stays on when power is applied. Have to turn off breaker to kill broiler.
If this one is unrepairable, please send a rebuilt controller in its place if you have one.
Repaired
Vancouver, British ColumbiaError code started as F-3

Within a week to 10 days, it started to go to F-5. After that it would switch back & forth between F-5 and F-3 but in the end it just settled on F-5 in most cases

Small plastic up arrow temperature plastic pin clicking piece has broken away from the control unit - I spoke with Howard who let me know that that shouldn’t be a big issue and can easily be corrected so that is good news

Thanks

Brian in Vancouver
Repaired
Saint-Sauveur, QuebecThe broiler was not working, so I changed the broiler element and the sensor. It worked for a few days then stoppes; there was a loose wire, I connected the wire, worked for 1 hour then nothing at all.Replaced with reconditioned timer
Humboldt, TennesseeNeither oven or broiler working. Checked elements and temperature sensor, all checked ok.Replaced with reconditioned timer
Armstrong, British ColumbiaThe oven elements on my Jenn Air range will not heat up, the clock, timer, etc rest of the stove and top elements work just fine. A repairman told me I needed part 71001799, however I have been unable to find this part, and believe me I have tried everywhere. The repairman said without it he couldn't fix the stove. I hope you can repair the circuit board.Repaired
Foley, MissouriThe wife goes to bake and the fan and beeper go off just about the time the temp is up , showing F3 and F5 codes most of the time . I have replaced the temp probe with no help to the problem .Repaired

Common problems for Jenn-Air Electric Slide-In Range SVE47100B Timer Repair

Are you encountering a similar problem as them? Contact us now and we will try to help you fix your SVE47100B timer-related problem.
sve47100 oven doesn't heat Jenn Air SVE47100B was in the house when we bought it two years ago. On Christmas day when when we were cooking the ham we heard a pop. The clock and digital control was off and the bake element looked as though it was arcing from near the back (not the connections or against the wall, but along the rear section of the actual element). The range top burners were still operable. We unplugged it and the arcing stopped on the bake element, but the element was broken. I replaced the bake element and the clock control (part number 71002331) with new parts from a local supplier. It all fits back together (did lots of surfing and phoning). Put the power back on and the clock comes on, but when I turn on the bake or the broil, the elements in the oven don't get hot. The control unit will click as though it is trying to heat, and the temperature indicator doesn't rise above 100 degrees, the lowest number that it can register (as soon as you press "bake," it automatica
Oven light won't turn off The oven light on my Jenn-Air SVE47100b slide-in oven is on and will not turn off. We have checked the door, and it is closing properly. The light will not go off even when we push the button inside the door by hand. We have tried unplugging it, and the light comes on as soon as we plug it back it. Any suggestions?
My wife cleaned our oven yesterday. Now we cannot open it. The lever appears locked and I see no easy to grasp instructions. It is an older model and we are renting this home. Any help would be appreciated.
OVEN WILL NOT CLEAN JENN-AIR SVE47100B BROILER WILL NOT WORK EITHER. OVEN WILL NOT CLEAN. DOOR LOCKS CLEAN LIGHTS UP, FAN COMES ON BUT NO HEAT.
This is a duplicate post I forgot the model number on the first post. This is a dual fuel gas top electric oven model. I believe I have a problem with a relay. Every thing seems to be working properly on the clock and display. When you select bake, broil convect bake etc. it shows on the display and the temperature selected also shows up. The display then switches to preheat showing 100 but does not start to heat. I can hear a slight sound like a hum/whistle that comes on approx 15 seconds then goes off for approx 5 seconds and keeps repeating this sequence. The sound seems to be coming from the back side of the oven near the top. The last couple weeks is when it started acting up. Somtimes you could only get it to heat by selecting broil. Other times convect bake wouln't work but bake would and then if you switched it to convect after it started to heat with the bake setting it would continue to work with the convect bake the rest of the cooking time. I would appreciate any advice so
Sve47100 oven doesn't heat Jenn Air SVE47100B was in the house when we bought it two years ago. On Christmas day when when we were cooking the ham we heard a pop. The clock and digital control was off and the bake element looked as though it was arcing from near the back (not the connections or against the wall, but along the rear section of the actual element). The range top burners were still operable. We unplugged it and the arcing stopped on the bake element, but the element was broken. I replaced the bake element and the clock control (part number 71002331) with new parts from a local supplier. It all fits back together (did lots of surfing and phoning). Put the power back on and the clock comes on, but when I turn on the bake or the broil, the elements in the oven don't get hot. The control unit will click as though it is trying to heat, and the temperature indicator doesn't rise above 100 degrees, the lowest number that it can register (as soon as you press "bake," it automatica
The Jenn-Air emits an alarm with FC flashing. The only way to stop the alarm from returning is to cut all electric power, then restore. Help please.
My oven controls seem to be working but the LED clock is blank. How hard is it to replace the clock on the Jenn-Air SVD48600. Also the cooling fan runs shortly after the oven is turned on and stays running long after the oven is off. I suspect a thermal switch is failed. can anyone help and advise.
i have a jen air electric sev471oob i replaced the heating element lower and the thermostat some times the oven works and some times not do i need to change the cotrol pannal
Hi, While moving the door glass shattered on my Jenn air oven. The door has been discontinued and is no longer available. What can I do? Do you have specs on the glass dimensions ? The model number is XXXXX serial number 15667804UQ . The part number is XXXXX I will also need side trim for the door 71002082.
Self cleaning Jenn-Air oven - Model # XXXXX Serial # XXXXX Tried to clean oven.... door would not lock after several tries... then it did lock by making gear locking noise..... then F9 appears and we can not get the door to unlock. We have unplugged and hit the cancel button many times.... ????? Is there anything we can do, if not can you recommend a repair person in our area - Oak Island, NC 28465
Hi, I have trying to solve the problem with my electric Jenn air oven. Had the F1 error, replaced the ERC.....still had it.....called in a technician. He said that we needed to replace the power relay board. Bought that. Pulled out the oven, it doesn't have that part on it. I unplugged the oven temp. sensor. F1 doesn't come on until I turn on the oven and then f3 comes on. The fan continually runs when the power is turned on to the oven....any thoughts?
my jenn air model (sve47100B) oven will not heat. When you press broil and F3 code comes up and the cooling fan stays on all the time.
can I order a new door for a jenn air sve47100b as I broke the front glass 71002088 in the door and it is discontinue
When I turn the oven or the broiler on on my Jenn Air SVE47100B range, the control panel appears to be working fine.. However neither the oven or broiler turns on. The panel will say the oven is 100 degrees then stop blinking.
I have model no. sve47100b Jenn Air, the bottom heating element went bad so I replaced it now the computer board [ clock, clock, temp] doesn't come on, whats up? Thanks, Ned