Frigidaire Electric Range FEF352ASF Timer Repair

What is the timer/clock part number for the Frigidaire FEF352ASF Electric Range?

Timer part number 316207511 for Frigidaire FEF352ASF

The FEF352ASF Electric Range uses timer part number 316207511.

Do you have a failed Frigidaire FEF352ASF control panel? Click here:

Request Appliance Timer Service

We can repair or replace your faulty Frigidaire FEF352ASF timer.

FEF352ASF are also sometimes referred to using these Alternative Names/Model numbers

Electrolux FEF352ASF Electric Range

FEF352ASF Schematic and Wiring Diagrams

Backguard Parts diagram
FEF352ASF Electric Range Backguard Parts diagram
Body Parts diagram
FEF352ASF Electric Range Body Parts diagram
Top/drawer Parts diagram
FEF352ASF Electric Range Top/drawer Parts diagram
Door Parts diagram
FEF352ASF Electric Range Door Parts diagram
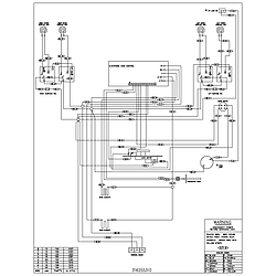
Wiring schematic Parts diagram
FEF352ASF Electric Range Wiring schematic Parts diagram
Wiring diagram Parts diagram
FEF352ASF Electric Range Wiring diagram Parts diagram

Recent Service Requests

CityProblem DescriptionResolution
Michie, TennesseeOven made a loud pop and a small spark shot out the top. Error code F1 is now on the screenAwaiting receipt of timer
Florence, KentuckyTimer Initally gave F1 error. Unplugged range for 15 min, and plugged back in. Did not get error code, but now the oven will not heat.Awaiting receipt of timer
Foley, AlabamaReplaced with reconditioned timer

Common problems for Frigidaire Electric Range FEF352ASF Timer Repair

Are you encountering a similar problem as them? Contact us now and we will try to help you fix your FEF352ASF timer-related problem.
Instruction Manual Need to learn how to operate the self cleaning oven on a Frigidaire FEF352ASF. Would like to get a copy of the manual too; but can't locate a source of replacement manuals. Many thanks, John
The outer door glass has broken. Once I get the replacement part, how do I replace? I looked at the exploded diagram and see that 2 screws attached the front at the bottom, 1 at the top and 4 screws from the inside ( including the handles screws)- so that is straight forward. I notice that the old glass has portions which are marked "tape". and that there are 2 X 1" by 1" small foam blacks on the bottom of the glass. What do I do here?