Maytag CRE9600ACE Timer Repair

What is the timer/clock part number for the Maytag CRE9600ACE Range?

Timer part number 7601-P200-60 for Maytag CRE9600ACE

The CRE9600ACE Range uses timer part number 7601-P200-60.

Do you have a failed Maytag CRE9600ACE control panel? Click here:

Request Appliance Timer Service

We can repair or replace your faulty Maytag CRE9600ACE timer.

CRE9600ACE are also sometimes referred to using these Alternative Names/Model numbers

Whirlpool CRE9600ACE Range

CRE9600ACE Schematic and Wiring Diagrams

Control panel Parts diagram
CRE9600ACE Range Control panel Parts diagram
Top assembly Parts diagram
CRE9600ACE Range Top assembly Parts diagram
Body Parts diagram
CRE9600ACE Range Body Parts diagram
Oven/base Parts diagram
CRE9600ACE Range Oven/base Parts diagram
Door/drawer Parts diagram
CRE9600ACE Range Door/drawer Parts diagram
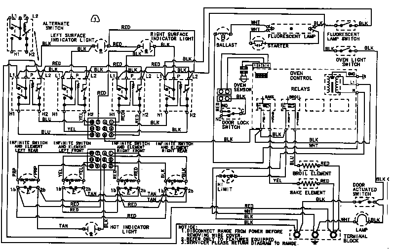
Wiring information Parts diagram
CRE9600ACE Range Wiring information Parts diagram

Recent Service Requests

CityProblem DescriptionResolution
Goffstown, New HampshireOven warms up, but will not keep temperature. Checked sensor and not the problem. Need timer unit ASAP.Awaiting receipt of timer
Taylorsville, UtahOven temp control is not with-in specs. Oven temp on control board is about 70 F.above actual temp.
Oven temp. control is failed. Sensor in oven is reading correct ohm values.
Awaiting receipt of timer
Taylorsville, UtahOven temp control is not with-in specs. Oven temp on control board is about 70 F.above actual temp.
Oven temp. control is failed. Sensor in oven is reading correct ohm values.
Awaiting receipt of timer

Common problems for Maytag CRE9600ACE Timer Repair

Are you encountering a similar problem as them? Contact us now and we will try to help you fix your CRE9600ACE timer-related problem.
just got a new element for my maytag oven....trying to get old one out.....how do i easily disconnect the wires