Maytag CRE9600 Timer Repair

What is the timer/clock part number for the Maytag CRE9600 Range?

Timer part number 709244 for Maytag CRE9600

The CRE9600 Range uses timer part number 709244.

Do you have a failed Maytag CRE9600 control panel? Click here:

Request Appliance Timer Service

We can repair or replace your faulty Maytag CRE9600 timer.

CRE9600 are also sometimes referred to using these Alternative Names/Model numbers

Whirlpool CRE9600 Range, CRE9600CCE, CRE9600CCM, CRE9600ACW, CRE9600BCE, CRE9600ACL, CRE9600CDL, CRE9600ADE, CRE9600BCW, CRE9600DDM, CRE9600DDE, CRE9600ADL, CRE9600BCL, CRE9600CDE, CRE9600ACE, CRE9600ADW, CRE9600CGE, CRE9600CDW

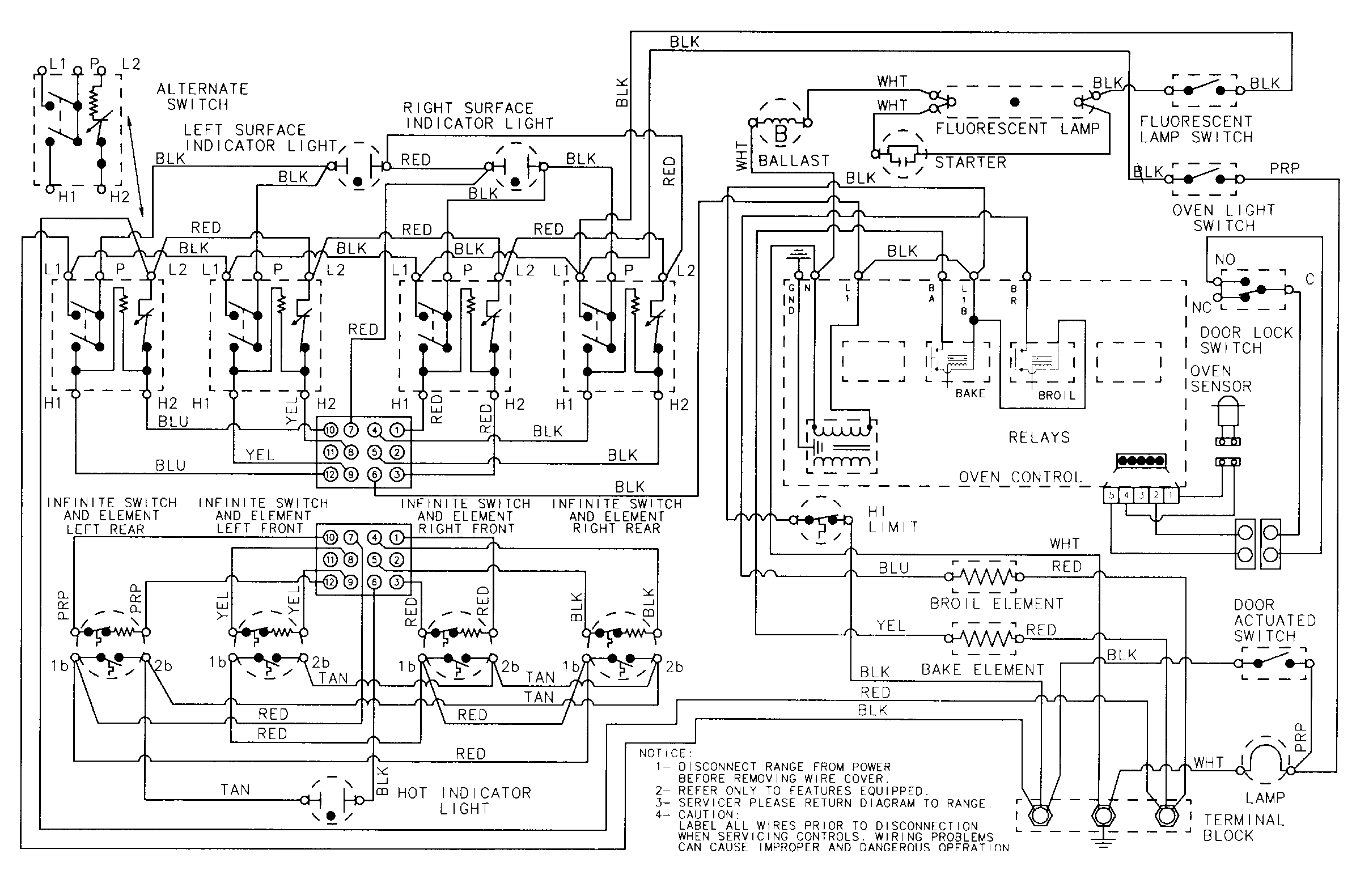
CRE9600 Schematic and Wiring Diagrams

Wiring information Parts diagram
CRE9600 Range Wiring information Parts diagram
Control panel Parts diagram
CRE9600 Range Control panel Parts diagram
Top assembly Parts diagram
CRE9600 Range Top assembly Parts diagram
Body Parts diagram
CRE9600 Range Body Parts diagram
Oven/base Parts diagram
CRE9600 Range Oven/base Parts diagram
Door/drawer Parts diagram
CRE9600 Range Door/drawer Parts diagram

Recent Service Requests

CityProblem DescriptionResolution
EMMAUS, PennsylvaniaLooking for refurbished or NOS timer. The push plastic push tab is broken an a momentary switch was swapped with existing to make it work. May be fixed if you have original switches and the plastic case with the tabs.Awaiting receipt of timer
port st. lucie, FloridaOven & Broiler & Clock display do not work. The 4 burners are working normally.Awaiting receipt of timer
Clear Spring, MarylandBLANK DISPLAY. NOTHING WORKS ON TIMERRepaired
Hamilton, OntarioAfter stove has been powered on (18 - 36 hours) the F2 code is displayed (it will come on with no elements or oven turned on). replaced temp sensor on spec but still same problem. Turn power off at breaker leave off for 8 hours then turn on and will work for 18 - 36 hours before code comes up and stove alarmsRepaired
West Hazleton, PennsylvaniaOven will not get to pre-set temperature/ shuts off & sets F-5 trouble code.Repaired
West Hazleton, PennsylvaniaOven will not get to pre-set temperature/ shuts off & sets F-5 trouble code.Repaired
Kincardine, OntarioProblem #1 February 2016: Fault code F5 when attempting to use the oven. Intermittent at first, now occurs every attempt. Sent oven control to Turner Timer Repairs, they returned it unrepaired, they said they could not repair it due to damage to circuit board traces (from burnt diode).
Problem #2 January 2014: Dim display. Replaced C5, C6, C8, C9. C5 and C6 replaced with same values. C6 was 470microfarad 16V. C9 was 100microfarad 50V. Some improvement to display.
Problem #3 February 2012: Display and function was intermittent. D5 was burnt beyond recognition, adjacent circuit board traces damaged. Replaced D5 with 1N4004 and repaired circuit board traces.
The Maytag range was purchased January 1995.
Repaired
Lake View, New YorkI was wondering if there was a timer available for this stove. Maytag CRE9600 ACW. The Oven sensor has been tested and it is pulling 1084 ohms. I do believe ERC is bad. I'm not sure if I have the correct part number listed aboveAwaiting receipt of timer
Walsenburg, ColoradoNo power in timer.Repaired
Mississauga, OntarioOven temp does not reach display temp. Set to 350, actual temp is approx 200. confirmed with "Fluke" temp sensor. Temp probe tested and reads 1100 at room temp. Upper & Lower elements read approx. 20 ohms. 240v reaching both elements, all fuses ok.Awaiting receipt of timer
Goffstown, New HampshireOven warms up, but will not keep temperature. Checked sensor and not the problem. Need timer unit ASAP.Awaiting receipt of timer
Newark, Delawareoven temp function does not display or works intermittantlyAwaiting receipt of timer
Fremont, NebraskaOven and Broil show temp but don't heat up at all. Both heating elements have been tested and are fine.Repaired
Thornton, ColoradoOven doesn't heat above 150 degrees but indicates higher. Or goes to full heat but indicates lower.Awaiting receipt of timer
Brockton, MassachusettsThe oven will not reach the temperature selected.Repaired
Penticton, British Columbiaincorrect oven temperature. If I set at 350 the oven only heats to 150....if set at 550 the oven will heat to 350.

We have checked the temp probe, its working fine. We have checked both elements and they are working fine.
no failure code ever came on.
Repaired
BIBLE HILL, Nova Scotiaoven will not heat.Repaired
San Antonio, TexasOven temp control does not work. Starts out showing to high a temp and takes an hour to reach temp. I already replaced the temp sensor.Awaiting receipt of timer
Taylorsville, UtahOven temp control is not with-in specs. Oven temp on control board is about 70 F.above actual temp.
Oven temp. control is failed. Sensor in oven is reading correct ohm values.
Awaiting receipt of timer
Taylorsville, UtahOven temp control is not with-in specs. Oven temp on control board is about 70 F.above actual temp.
Oven temp. control is failed. Sensor in oven is reading correct ohm values.
Awaiting receipt of timer

Common problems for Maytag CRE9600 Timer Repair

Are you encountering a similar problem as them? Contact us now and we will try to help you fix your CRE9600 timer-related problem.
Maytag oven model 7400 3019, CRE9600CCE, serial nbr 23534301SB Accidentally melted a large plastic lid in the oven. There is a large spot of melted plastic on the oven floor that adhered to the floor like glue. What can I do to clean this off--can I use the self-clean cycle--will it start a fire if oven is turned on?? Jeanne Cincinnati, OH
I have a maytag glasstop oven model#CRE9600CCM, when attempting to heat up oven oven would it would beep & set code -F-7-. what does this code mean? this oven is approx 10 years old & i'm deciding if it's worth me fixing or just replace it, the broiler element doesn't heat up either, maybe related?
My oven does not get hot. I set it to 400 and put a thermometer in the oven the temp only gets to 150. I installed a new probe but that didn.t do it. I can see the element turning red but doesn't stay on long enough.
I have a Maytag CRE9600 electric freelanding oven. Today I set the cleaning oven for 2 hours and it did fine. Now we found the oven control panel is out totally. A few years ago we had to replace the bake element. Could this be the same problem?
On a cre9600ccm I scratched the cooktop with a pan. What can be done?
How do I install an oven temp sensor for a Maytag electric oven cre9600acl. I am trying to solve the problem of F1 errors. Thanks, Kim
I have a model CRE9600ACL and the oven temperate on the control starts at 355 degrees and climbs to 550 and shuts off. The oven therometer I use shows it's only about 200 degrees. Is the temparture sensor bad or is it the Control/clock?
i have an electric range model cre9600acl/serial a14010469kb. the oven works perfectly but i am having problems with the oven. it is taking forever to reach the necessary degree i need to cook. the top element heats up but the lower element does nothing at all. it is also a self cleaning oven
I have a Maytag CRE9600ACL oven which intermittantly fails with fault code F2 (or sometimes F3 if using the oven). I replaced the oven temperature sensor but that did not fix it. I checked the wires and connections back to the relay control board and found no problem (1000 ohm resistance through temp sensor, measured at the connector which attaches to the control board. It works sometimes, but other times goes into fault mode and stays there until I cut the power for a while. We made it through Cristmas (with an assist from the gas grill) but this is getting very annoying. suggestions?
I have a Maytag oven Model CRE9600ACW The oven doesn't heat to correct temperature --- about 175 degrees below what it says it is. Also while I was baking 2 fault codes appeared. The range was purchased about 1995. Is there an easy fix to this problem?
what isthe cause of an error F7 on a Maytag cre9600acw oven
Maytag CRE9600ACW oven with an F1 error Hello, I have a problem with a oven that keeps ''beeping'' and there is an F1 displayed. Do you have any ideas on how to reset it? Also, the oven tempature does not reach tempature. It sounds like a thermal couple. Please let me know. Thanks, Tim
The circuit board in my range shorted out (arcing) I can see fried components on the board. I need to know if fixing this is as easy as pulling out the old board and snapping in a new one. Is there a trick to getting the boards out? How can I check to see what caused the board to short out. Can I check all the pieces that plug into the board, without plugging them into a new board first? What about once the new board is in place? Can I tell by the "fried" parts on the board, what might have caused the problem? I would appreciate any help you can give me. Lots of details would be great.
Our oven worked fine yesterday. My wife tried to bake today and got a couple of beeps when trying to enter in a temp. and bake time setting. The display shows 100f and then clears and goes back to the control panel. Broiler will not work and just beeps and returns to clock. Self clean function will not work either. The range burners work fine and the clock is showing the correct time. I don't see either of the ignitors glow and no noise from the gas valves. Any ideas?
I am getting an F7 error on my Maytag range model cre9600acw. What exactly does this mean?
just got a new element for my maytag oven....trying to get old one out.....how do i easily disconnect the wires
Maytag oven, when you set it to bake at 400 degrees after 30 minutes, temperature in oven, while warm, is not 400 degrees. What part needs to be replaced?
Hi I have a Maytag oven (Model #CRE9600ACL). The temperature is off by about 150-200 degree. I did a test by setting the oven at 350 degrees, but even after one hour the temperature only reached 150 degrees. Only if the oven is set at 525 degrees does it finally reach the desired temperature. I have replaced the broiler and oven heating elements. Please let me know what if you believe the sensor or the clock mechanism needs replaced. I have found out that the clock mechanism has been discontinued, but have found a site that will rebuild the part. Any feedback would be greatly appreciated. Thank you for your time. Mike
Both the broil and the bake elements stopped working at the same time. I bought new elements, and they are not working either. What else can I do?
My maytag oven started displaying an F1 error code whenever I tried to set an oven temperature. I tested the temperature sensor as recommended in some of the forums and it was testing low, right around 800. I replaced that and now the error code has gone away but I'm not getting any heat when I try and turn on the oven. Any thoughts on what the problem might be? Is it even something worth fixing?
oven will heat to desired temp but will not maintain. I tried a new element which did the same thing
the top right button that controls the oven temperature shows oven temperature as its heating up to desired temp, but shuts off as its heating up,
oven works, oven light works, but the clock is not lit and the oven won’t turn on. It's a temporary rental and unit was working fine this AM - PM it's not. I read somewhere about a lockout feature? Could this have anything to do with it, or is that part of the self-cleaning feature? I found an old manual on Maytag, but that wasn't helpful. I'm a finance guy, but reasonably handy. Any advice is much appreciated!
the bottom element heats to selected tempature but will not maintain it????????????? HELP!!!!!!!!
Maytag electric oven CRE9600ACE. The oven is 175 degrees COLD at 450. (reads 275 on a good oven thermometer). Sensor resistance is O.K. (1100 ohms @ 85 degrees – 1600 ohms @350 degrees) Tested it in a different oven at 350 degrees. Grids glow in “Broil” and “Bake.” I am thinking the problem must be in the clock module. Any other ideas cheerfully considered.