Kenmore Electric Range 79095882301 Timer Repair

What is the timer/clock part number for the Kenmore 79095882301 Electric Range?

Timer part number 316207511 for Kenmore 79095882301

The 79095882301 Electric Range uses timer part number 316207511.

Do you have a failed Kenmore 79095882301 control panel? Click here:

Request Appliance Timer Service

We can repair or replace your faulty Kenmore 79095882301 timer.

79095882301 are also sometimes referred to using these Alternative Names/Model numbers

Sears 79095882301 Electric Range

79095882301 Schematic and Wiring Diagrams

Backguard Parts diagram
79095882301 Electric Range Backguard Parts diagram
Body Parts diagram
79095882301 Electric Range Body Parts diagram
Top/drawer Parts diagram
79095882301 Electric Range Top/drawer Parts diagram
Door Parts diagram
79095882301 Electric Range Door Parts diagram
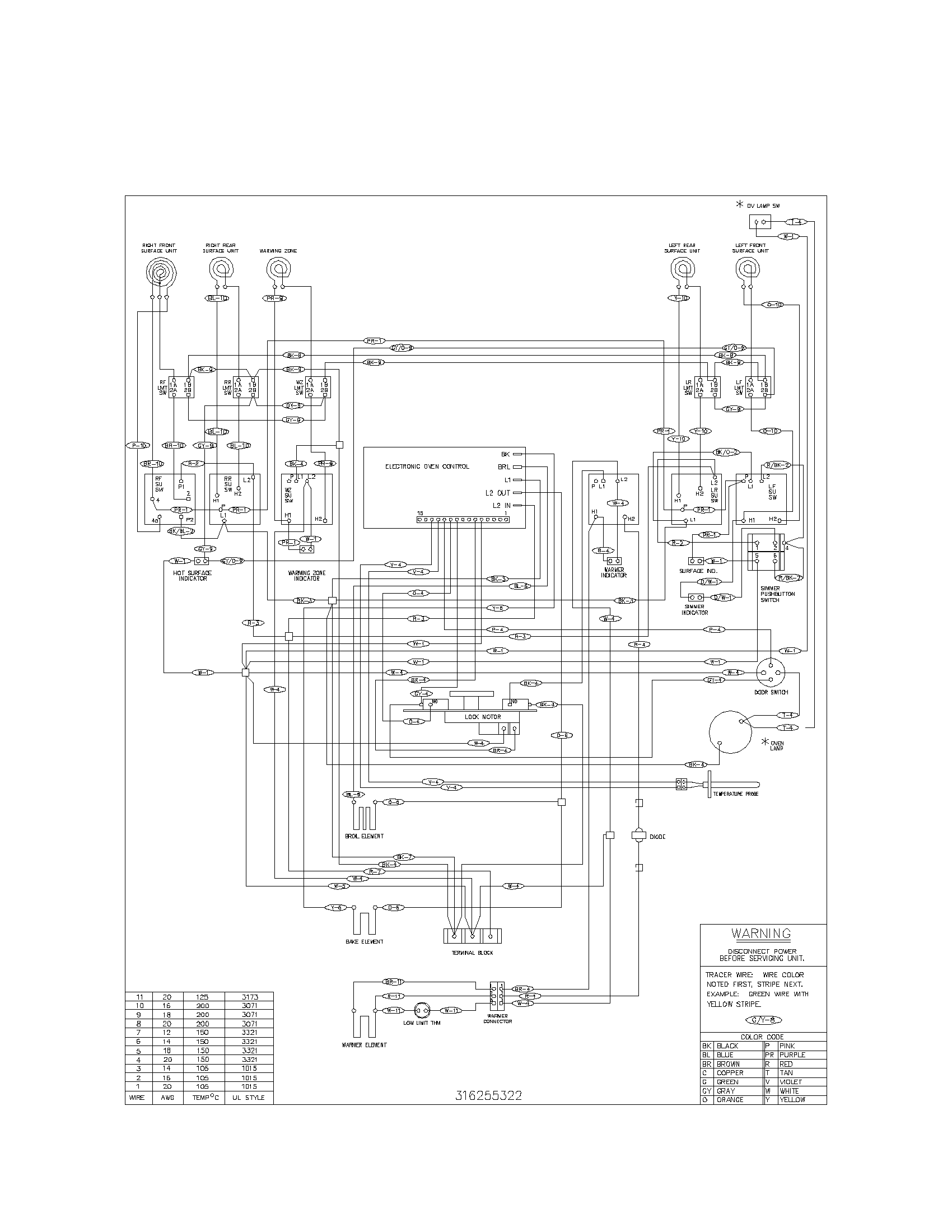
Wiring schematic Parts diagram
79095882301 Electric Range Wiring schematic Parts diagram
Wiring diagram Parts diagram
79095882301 Electric Range Wiring diagram Parts diagram